side_banner.gif (4871 bytes)

CF SERIES (EDGEWISE)

EDGEWISE METER CF-20 AND CF-15

AVAILABLE INSTRUMENTS

Classification

Operating Principle

Full Scale Value

CF-20

CF-15

DC

AMMETERS

Moving Coil Type

0-50ľA to 0-5A

0-200ľA to 0-2A

VOLTMETERS

0-50mV to 0-600V

AC

AMMETERS

Rectifier Type

0-1mA to 0-10mA

VOLTMETERS

0-3V to 0-600V

                cfd.jpg (36142 bytes)

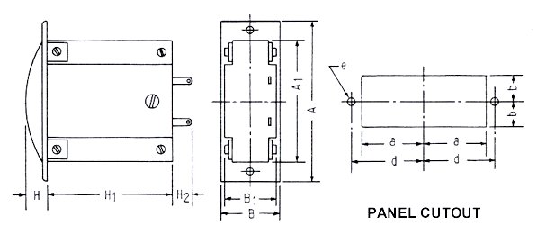
DIMENSIONS ( Unit : mm)

Model

CF-20

CF-15

A

90

66

B

34

24

H

14

8.5

A1

70

50

B1

30

21

H1

55

52

H2

11

9

a

35.3

25.3

b

15.5

11

d

40

29

e

3.5

3.5

HEW3.jpg (37947 bytes)

Send an E-mail to herrong@ms4.hinet.net,with any question and comment to this web site.

COPYRIGHT © 1997-2001 HER RONG ELECTRIC WORKS CO., LTD.

LAST UPDATE :2010/03/17                     IT Manager: Mr. C.K. Hsieh